○奥州金ケ崎行政事務組合胆江地区衛生センター自家用電気工作物保安規程
平成30年2月13日
訓令第1号
奥州金ケ崎行政事務組合胆江地区衛生センター自家用電気工作物保安規程(平成20年奥州金ケ崎行政事務組合訓令第8号)の全部を改正する。
第1章 総則
(目的)
第1条 この規程は、電気事業法(昭和39年法律第170号以下「法」という。)第42条第1項の規定に基づき、奥州金ケ崎行政事務組合胆江地区衛生センター(以下「センター」という。)の電気工作物の工事、維持及び運用に関する基本的事項を定めることにより、電気工作物の保安の確保に万全を期することを目的とする。
(適用範囲)
第2条 この規程は、センターに係る自家用電気工作物に適用する。
(1) 「電気工作物」とは、発電、変電若しくは配電又は電気の使用のために設置する機械、器具、線路その他の工作物をいう。
(2) 「工事」とは、計画、設計、施工及び検査をいう。
(3) 「維持」とは、計画、巡視、点検、試験、検査、記録の作成、保存及び事故処理をいう。
(4) 「運用」とは、計画及び運転をいう。
(5) 「主任技術者」とは、電気主任技術者及びボイラー・タービン主任技術者をいい、各々の保安業務を指揮監督させるため法第43条第1項の規定に基づき選任された者をいう。
(6) 「保安業務」とは、電気工作物の工事、維持及び運用に関する保安のための業務であって次に掲げるものをいう。
ア 汽力保安業務 ボイラー・タービン及びこれらの補機類の保安業務をいう。
イ 電気保安業務 汽力設備を除く電気工作物の保安業務をいう。
(7) 「協力業者」とは、センターにおいて施設の管理を含め、工事、修繕を行う施工業者をいう。
(法令等の遵守)
第4条 管理者、職員、受託業者及び協力業者は、電気工作物に関する法令及びこの規程(以下「法令等」という。)を遵守しなければならない。
(細則の制定)
第5条 この規程を実施するため、必要があると認められる場合は、別に細則を制定するものとする。
(保安規程等の改正)
第6条 この規程の改正並びに前条の細則の制定及び改正については、主任技術者の参画のもとに立案し、これを決定するものとする。
第2章 保安業務の運営管理体制
(保安業務の組織)
第7条 電気工作物の工事、維持及び運用に関する責任の所在並びに指揮命令系統及び連絡系統を明確にするため、電気工作物の工事、維持及び運用に関する保安業務を執行する組織を定めなければならない。
2 前項の組織は、第1図のとおりとする。
3 管理者は、保安業務を総括管理する。
(1) 事務局長は、保安業務についての総括責任者であり、保安業務が円滑に遂行できるように組織及び体制を整備する。
(2) 施設管理課長は、保安業務を管理し、業務を適正に執行するとともに主任技術者及び従事者を指揮監督する。
(3) 従事者は、保安業務及び設備管理をする。
(4) 受託業者は、仕様書により業務を行う。
4 管理者は、法令で定める資格を有する者のうちから主任技術者を選任するものとし、電気工作物の工事、維持及び運用に関する保安業務に当たらせる。
(設置者の義務)
第8条 電気工作物に係る保安上重要な事項を決定又は実施しようとするときは、主任技術者に意見を求めるものとする。
2 前項の主任技術者の保安に関する意見は、これを尊重しなければならない。
3 法令に基づいて所管官庁に提出する書類の内容が電気工作物の保安に関係ある場合には、主任技術者の参画のもとに立案し、決定するものとする。
4 所管官庁又は登録安全管理審査機関が法令に基づいて実施する検査及び審査には、主任技術者を立ち会わせるものとする。
(主任技術者の職務)
第9条 主任技術者は、法令等を遵守し、電気工作物の工事、維持及び運用に関する保安監督の職務を誠実に行わなければならない。
2 主任技術者の職務は、次に掲げるとおりとする。
(1) 電気工作物の工事に関すること。
(2) 電気工作物の維持に関すこと。
(3) 電気工作物の運用に関すること。
(4) 電気工作物に係る保安教育に関すること。
(5) 災害対策に関すること。
(6) 保安業務の記録に関すること。
(7) 保安用機材及び書類の整備に関すること。
(従事者の義務)
第10条 電気工作物の工事、維持及び運用に従事する者は、主任技術者がその保安のためにする指示に従わなければならない。
(主任技術者不在時の措置)
第11条 主任技術者が病気その他やむを得ない事情により不在となる場合にその職務を代行する者(以下「代務者」という。)をあらかじめ指名しておくものとする。
2 代務者は、主任技術者の不在時には主任技術者の職務及び指示された業務を誠実に行わなければならない。
3 代務者は、通常時においては保安業務遂行のために、主任技術者の業務を補佐するものとする。
(主任技術者の解任)
第12条 管理者は、主任技術者が次の各号のいずれかに該当する場合は、解任することができるものとする。
(1) 主任技術者が病気による欠勤等の理由により、その職務を行うのに不適当と認められるとき。
(2) 主任技術者が、法令等の定めるところに違反し、又は職務を怠り保安の確保上不適当と認められたとき。
2 前項各号のいずれかに該当する場合、又は主任技術者は転任、退職等による場合のほかは、主任技術者は、その意に反して解任されないものとする。
第3章 保安教育
(保安教育)
第13条 総括責任者は、主任技術者の意見を聴き、電気工作物の工事、維持及び運用の従事者に対し、電気工作物の保安に関し必要な知識及び技能の教育を計画的に行わなければならない。
(保安に関する訓練)
第14条 総括責任者は、電気工作物の工事、維持及び運用の従事者に対し、電気工作物の事故その他非常災害が発生したときの措置について、随時実地指導訓練を行うものとする。
第4章 工事の計画及び実施
(工事計画)
第15条 総括責任者は、電気工作物の設置、改造等の工事計画を立案するに当たっては、主任技術者の意見を求めるものとする。
2 主任技術者は、電気工作物の安全な運用を確保するために、電気工作物の主要な修繕工事及び改良工事(以下「補修工事」という。)の計画の立案に参画するものとする。
(工事の実施)
第16条 電気工作物に関する工事の実施に当たっては、必要に応じ作業責任者を選任し、主任技術者の監督の下にこれを施工するものとする。
2 電気工作物に関する工事を請負わせる場合には、常に責任の所在を明確にしておくものとする。
3 電気工作物の工事完了時には、主任技術者が検査し、保安上支障のないことを確認してから引き取るものとする。
4 電気工作物の工事の実施に当たっては、その保安を確保するため、次に掲げる事項について別に定める細則の保安基準によって行わければならない。
(1) 作業責任者及びその任務
(2) 作業範囲及び作業時間の周知
(3) 危険区域の表示
(4) 機器の誤操作防止措置
(5) 無電圧状態の確保
(6) 作業終了時の確認方法
(7) 労働安全関係諸法令の遵守
第5章 法定事業者検査
(法定事業者検査の区分)
第17条 法定事業者検査は、次に掲げる検査とする。
(1) 法第51条の規定による使用前自主検査(電気工作物の設置届出設備使用前)
(2) 法第52条の規定による溶接事業者検査(電気工作物の耐圧部分基準値以上の新設、改造等設備施工時)
(3) 法第55条の規定による定期事業者検査(ボイラー2年、タービン4年毎の検査)
(法定事業者検査時の措置)
第18条 法定事業者検査を行うときは、主任技術者の保安監督のもとに実施し、主任技術者は工事計画に従って行われたものであることを確認しなければならない。
2 主任技術者は、法定事業者検査が法令で定める技術基準(以下「技術基準」という。)に適合するものであることを確認しなければならない。
(法定事業者検査の結果の記録)
第19条 法定事業者検査の結果については、電気事業法施行規則(昭和40年通商産業省令第51号)に基づき記録し、保存するものとする。
第6章 保守
(巡視、点検及び検査)
第20条 主任技術者は、電気工作物の工事、維持又は運用に関する保安のため、巡視、点検及び検査をそれぞれ細則に定める基準に従い実施するものとする。
(技術基準の維持)
第21条 主任技術者は、点検及び検査の結果、法令に定める技術基準に適合しない事項が判明したときは、当該電気工作物の使用を一時停止又は制限する等の措置を講じ、修理、改修して、常に技術基準に適合するよう維持するものとする。
(事故の再発防止)
第22条 電気工作物に事故その他の異常な状態が発生したときは、主任技術者の監督のもとに、必要に応じて臨時に精密検査等を行い、その原因を調査し、適切に措置し、再発防止のための措置を講じなければならない。
第7章 運転又は操作
(運転又は操作基準等)
第23条 電気工作物の運転又は操作の基準は、別に定める運転マニュアルによるものとする。
2 前項の運転又は操作の基準は、次に掲げる事項について定めるものとする。
(1) 電気工作物の必要な監視
(2) 平常時における電気工作物の運転操作マニュアル
(3) 事故その他異常時における電気工作物の運転操作マニュアル及び指揮命令系統
(4) 関係電気事業者との連絡事項
(5) 緊急時に連絡すべき事項、連絡先及び連絡方法の掲示
3 関係電気事業者からの受電に関連する遮断器、開閉器の開閉その他必要な事項については、別に関係電気事業者との間に締結している「運用申合せ書」によるものとする。
(発電設備の長期間運転停止基準)
第24条 発電設備を相当期間停止する場合は、次に掲げる方法により設備の保全を図るものとする。
(1) ボイラー、タービン本体その他主要機器の点検手入れを行い、必要個所に防塵、防錆、防湿対策を行う。
(2) 休止により発電設備を相当期間運転停止する場合は、前号に掲げるもののほか、休止設備と運転設備との区分を明確にし、その連絡部・接続部は確実に分離するものとする。
(運転の開始)
第25条 発電設備を相当期間停止後、運転を開始する場合は、所定の点検を行うほか、必要に応じて試運転を行い、保安の確保に万全を期するものとする。
第8章 災害対策
(防災体制)
第26条 主任技術者は、台風、洪水、地震、火災その他の災害に備えて、電気工作物に関する保安を確保するため、次に掲げる事項について定めておくものとする。
(1) 指揮命令系統及び情報伝達経路
(2) 電気工作物の災害予防対策
(3) 人員及び機器の整備
(4) 災害発生時の応急対策及びその後の復旧対策
(措置)
第27条 主任技術者は、災害発生時において、電気工作物に関する保安を確保するため指揮監督を行う。
2 主任技術者は、災害の発生に伴い危険と認められるときは、直ちに当該範囲の配電及び汽力設備を停止することができるものとする。
第9章 記録
(記録及び保存)
第28条 電気工作物の工事、維持及び運用に関する記録は、次の各号に定めるところにより保存するものとする。
(1) 日常点検記録 保存期間3年
(2) 運転日誌及び定期点検記録 保存期間5年
(3) 定期事業者検査記録、検査記録及び臨時点検記録 保存期間10年
(4) 主要補修工事記録及び電気工作物事故記録 保存期間永年
(5) 使用前自主検査記録、使用前安全管理審査記録及び溶接事業者検査記録 保存期間永年
(6) 工事計画届出書控、その他の法定手続き書類 保存期間永年
2 電気工作物の主要機器の補修工事記録は、設備台帳に記載し、その機器が廃却されるまでの期間保存するものとする。
第10章 責任の分界
(責任の分界)
第29条 関係電気事業者の設置する電気工作物との保安上の責任分界点は、電力受給契約書に基づく責任分界点とする。
(需要設備等の配置)
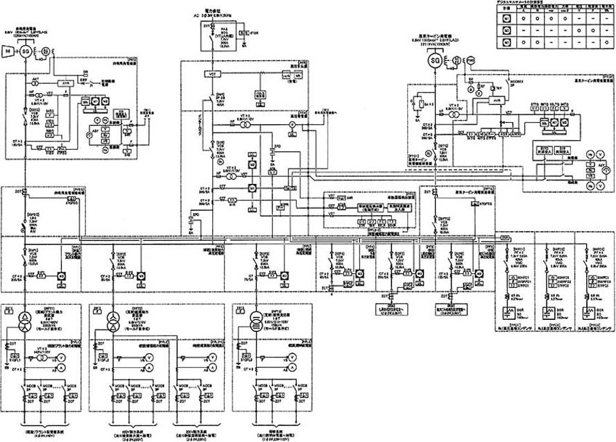
第30条 センターの需要設備等の配置は、第2図のとおりとする。
(電気工作物の単線結線図)
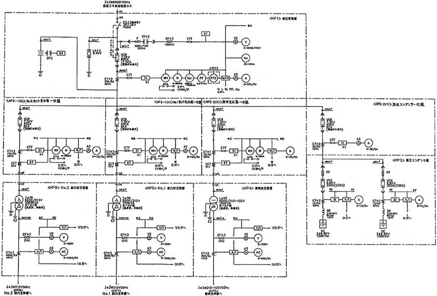
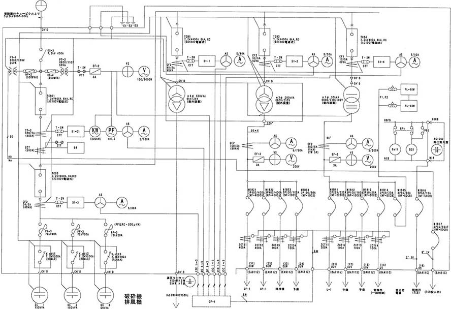
第31条 センターの電気工作物の単線結線図は、第3図のとおりとする。
第11章 雑則
(危険の表示)
第32条 発電設備、変電所その他高圧電気工作物が設置されている場所であって、危険の恐れのあるところには、人の注意を喚起するよう表示を設けなければならない。
(測定器具類の整備)
第33条 電気工作物の保安上必要とする測定器具類は常に整備し、これを適正に保管しなければならない。
(設計図及び書類の整備)
第34条 電気工作物に関する設計図、仕様書、取扱説明書等については、必要な期間整備保管しなければならない。
(手続き書類の整備)
第35条 関係官庁、電気事業者等に提出した書類、図面その他主要文書については、その写しを必要な期間整備保管しなければならない。
附則
この規程は、平成30年2月13日から施行する。
附則(令和7年3月26日訓令第1号)
この訓令は、令和7年4月1日から施行する。
第1図(第7条関係) 保安業務に関する指揮命令系統、連絡系統図

実線:管理系統及び連絡系統を示す。
※印:電気工作物の保安業務に従事する部門
(変電設備・発電設備・配電設備・用役供給に関する負荷設備)
第2図(第30条関係) センター需要設備等の配置図

第3図(第31条関係) 単線結線図
ごみ焼却施設

し尿処理施設

粗大ごみ処理施設
